Innovative Schleiftechnik macht Tempo in der Waferbearbeitung
Der Halbleitermarkt boomt. Mikrochips sind nicht nur für Elektrofahrzeuge und Ladestationen essenziell. Auch bei Solar- und Windkraftanlagen und der gesamten Bandbreite der Kommunikationstechnik spielen sie eine bedeutende Rolle. Mit erwarteten Wachstumsraten von über 30 Prozent pro Jahr bietet dieser Multi-Milliarden-Markt interessante Perspektiven für die Schleiftechnik. Auf der Fachmesse GrindingHub, die der VDW (Verein Deutscher Werkzeugmaschinenfabriken) vom 5. bis 8. Mai 2026 in Stuttgart veranstaltet, können Besucherinnen und Besucher Einblicke in Fertigung, Maschinen sowie Präzisionsschleifprozesse im Ångström-Bereich erhalten. Fest steht: Wenn Europa bei der „Halbleiterei“ gegenüber Asien und den USA Boden gut machen will, muss vieles schneller gehen, auch im Produktionsprozess.
Bei Wafern handelt es sich um dünne Scheiben, die als Basis für die Herstellung von Mikrochips dienen. Die Herstellung der Wafer erfolgt in mehreren Verarbeitungsschritten. Um etwa Silizium (Si) oder Siliziumkarbid (SiC) für die Halbleiterindustrie verwenden zu können, muss es als Einkristall gezüchtet werden. Die sogenannten Ingots und Boules werden dann zu einem Puck-Rohling bearbeitet. In Scheiben geschnitten, entstehen die Wafer, die dünn geschliffen, poliert und mit einer Epitaxie-Schicht versehen werden, um sie für den Fotolithografieprozess vorzubereiten. Mit Hilfe von entsprechenden Maskierungen und Licht werden Schaltkreismuster in den Wafer geätzt. Am Ende lassen sich aus dem Wafer einzelne Mikrochips schneiden.
Großes Wachstumspotenzial

Michael Egeter, Vice President Engineering beim Schweizer Maschinenhersteller Kellenberger
Für Michael Egeter, Vice President Engineering beim Schweizer Maschinenhersteller Kellenberger in Goldach sorgen die zuverlässig steigende Nachfrage auf der Endkundenseite sowie neue Prozesse und Technologien dafür, dass ein Engagement im Halbleitermarkt absolut lohnend erscheint. „Neben der eigentlichen Substratbearbeitung - also dem Vorschleifen und Konfektionieren der Rohkristalle, dem Erzeugen der Wafer-Grundgeometrie – bietet auch das Feld der Halbleiter-Prozessanlagen gute Möglichkeiten, um Schleiftechnologie und - lösungen anzubieten“, sagt er. Zudem könnten sich Schleifexperten beim Kunden in die Pole-Position bringen, wenn sie maßgeschneiderte Lösungen anbieten. Kellenberger hat dafür spezialisierte Customizing-Teams gebildet. „Tailored Solutions eröffnen ein hohes Wachstumspotenzial, zumal oft auch skaliert werden kann“, betont der Experte.
Keine Angst vor (Halbleiter-) Keramik
Als Substrat setzt sich in der Halbleiterfertigung zunehmend Siliziumkarbid (SiC) durch. Wie es beim Fraunhofer CSP in Halle (Saale) dazu heißt, bietet ein Halbleiter aus einer Verbindung von Silizium und Kohlenstoff gegenüber einem Halbleiter aus einfachem Silizium eine große Bandlücke. Das sei ein entscheidender Faktor für die elektrische Leitfähigkeit und bedeutet, dass der Halbleiter unter extremen Bedingungen wie hohen Temperaturen, hohen Spannungen und hohen Frequenzen eingesetzt werden kann. Für die Schleifbearbeitung stellt das Substrat indes eine Herausforderung dar, wie Michael Egeter feststellt: „Wir konnten bei Schleifern, die bisher fast ausschließlich auf metallischen Werkstoffen gearbeitet haben, schon eine respektvolle Zurückhaltung feststellen“, berichtet er. Das Zerspanungsverhalten des Schleifprozesses auf Keramiken sei vollkommen anders. Wenn diese Schwelle überwunden ist, offenbare sich das stetig wachsende Anwendungsfeld von technischen Keramiken wie auch von einkristallinen Halbleitersubstraten als riesiges Potenzial für die Schleiftechnik.
SiC hat sich für gewisse Leistungsklassen bereits als absoluter Benchmark im Halbleiterbereich etabliert.
Egeter
Die Fertigung eines Pucks ist aufgrund des hartspröden Materials (SiC) eine Herausforderung. Das Zerspanungsverhalten des Schleifprozesses auf Keramiken ist vollkommen anders als auf metallischen Werkstoffen
Zeit sparen im Herstellungsprozess
Die Halbleiterfertigung ist zeitlich aufwändig. Die Lieferung der Chips erfordert dadurch einen entsprechend langen Vorlauf, der so manchem Industriezweig zu schaffen macht. Dabei benötigt schon der Rohkristall, der im Hochtemperaturofen bei rund 2.400˚ C gezüchtet wird, gut zwei Wochen, bevor er in eine Halbzeug-Form gebracht werden kann. Für diesen sogenannten „Ingot/Boule to Puck“-Schritt wurde in der Hardinge-Gruppe, zu der die Firma Kellenberger gehört, ein Entwicklungsteam aus Ingenieuren und Anwendungstechnikern mit Unterstützung von SiCBranchenexperten und Rohstofflieferanten gebildet. Das Team analysierte die Ineffizienzen der bisherigen SiC-Ingot-Verarbeitung. Die Erkenntnisse flossen in die Entwicklung einer automatisierten All-in-One-5-Achs-Maschine, auf der sich alle derzeit relevanten Spezifikationen und Durchmesser von SiC-Ingots bearbeiten lassen. Mit automatisierter Be- und Entladung könne die Maschine die Bearbeitungszeit eines Ingots/Boule zu einem Puck, die bei herkömmlichen Verfahren mehr als 24 Stunden in Anspruch nimmt, auf zwei bis drei Stunden reduzieren, heißt es bei Kellenberger.
Ultrafeine Herausforderung für Schleifwerkzeuge
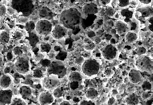
Neben dem Substrat und der Schleifmaschine spielen die Schleifwerkzeuge in der Waferbearbeitung die entscheidende Rolle. „Semicon wird bei uns als stark wachsender Markt wahrgenommen“, betont Carmine Sileno, Produktmanager für den Halbleiterbereich bei Meister Abrasives. Das Unternehmen mit Sitz im schweizerischen Andelfingen ist gemeinsam mit dem deutschen Schwesterunternehmen Alfons Schmeier, Helmbrechts, spezialisiert auf die Entwicklung und Herstellung von superabrasiven Schleifwerkzeugen für hochpräzise Schleifanwendungen. Für die verschiedenen Schritte der Halbleiterherstellungskette, vom rohen Kristall bis zum fertigen Chip, bietet Meister Abrasives Lösungen, die Kunden aus der Wafer- oder Chipherstellung auf bestehenden Anlagen einsetzen können. Die für die Oberfläche der Wafer entwickelten Diamantschleifwerkzeuge gewährleisten Oberflächenqualitäten im Bereich ab Ra 5 Ångström (1Å = 0,0001μm). Zum Vergleich: Ein menschliches Haar hat einen Durchmesser von 40-80μm. Eine Qualitätssicherung bei derart hohen Oberflächengüten sei nur noch mittels Weißlichtinterferometrie oder Rasterkraftmikroskopie (AFM) möglich, sagt Carmine Sileno. Zur GrindingHub bringt er als Anschauungsmaterial Wafer mit, deren Oberflächen unter dem Mikroskop zu begutachten sind. „Für Chiphersteller sind gleichmäßige Oberflächen mit homogener Nano-Topografie enorm wichtig“, betont der Produktmanager von Meister Abrasives. Mit seiner UltraFine-Technologie verfolgt das Schweizer Unternehmen aber auch noch ein anderes Ziel: „Wir wollen so fein wie möglich schleifen, um nachfolgende Prozessschritte zu verkürzen oder am besten ganz zu eliminieren“, sagt Sileno. Das betrifft vor allem zeit- und kostenaufwändige Läpp-und Polierprozesse.
Einzelne Prozessschritte überflüssig machen
Üblicherweise werden Wafer zunächst geschliffen und dann poliert, um die geforderten hohen Oberflächengüten zu erzielen. Bei den für das Polieren eingesetzten Slurries handelt es sich um Mischungen aus feinen festen Partikeln und einer Flüssigkeit. Dieses Poliermittel ist teuer. „Je länger ein Polierprozess üblicherweise dauert und je größer die Waferfläche, desto interessanter wird es, den Polierprozess weitgehend zu minimieren oder aus dem Prozess zu nehmen“, so der Schleifexperte. Die größte Herausforderung für die Bearbeitung der harten Waferoberflächen sei es gewesen, die passende Bindung für das Submikron Diamantkorn (< 1 μm) zu entwickeln. Genau darin sieht Sileno die Stärke von Meister Abrasives, die Schleifbelagsstruktur für jede Anwendung detailliert anpassen zu können. Der Kunde spare durch verkürzte oder gar überflüssig gewordene Polierprozesse wertvolle Zeit, reduziere Kosten, benötige weniger Infrastruktur und erhöhe den Durchsatz.

Zur Bearbeitung der superharten SiC-Wafer bedarf es Schleifscheiben, die Oberflächenqualitäten im einstelligen Ångström-Bereich ermöglichen.

Die größte Herausforderung für die Bearbeitung der harten Waferoberflächen war es, die passende Bindung für das Submikron-Diamantkorn zu entwickeln.
Quelle | VDW
Fotos | Kellenberger AG, Meister Abrasives

